전기기사 실기 공부를 위해 인터넷에 돌아다니는 '전기기사 실기 23년도 단답 문제' 모음 및 개념 정리 글입니다. (출처 'https://m.blog.naver.com/feedbackloop_', ' 실기 단답암기, 수호랑의 전기생활 : 네이버 블로그 ' , ' (종합) 23년 1회 전기기사 실기 기출 단답 : 네이버 블로그 ') 전기기사 실기 시험에 조금이라도 도움이 되길 바랍니다.
1. 건축전기설비에서 전력설비의 간선을 설계하고자 한다. 간선 설계 시 고려할 사항 4가지는?
1) 전기방식, 배선방식
2) 부하의 사용 상태나 수용률
3) 장래 증설의 계획 유무와 이것에 대한 배려 필요성
4) 간선 경로에 대한 위치와 넓이
(추가)
5) 점검구에 대한 사항
6) 동력제어방식, 제어반 위치
2. 역률 개선을 위한 전력용 콘덴서의 개폐 제어 중 자동조작 방식을 제어요소에 따라 분류할 때 제어요소 4가지는?
1) 무효전력에 의한 제어
2) 전압에 의한 제어
3) 역률에 의한 제어
4) 전류에 의한 제어
(추가)
5) 시간에 의한 제어
3. 가스절연 변전소의 특징 5가지는? 단, 경제적이거나 비용에 관한 답은 제외.
1) 소형화 할 수 있다.
2) 충전부가 완전히 밀폐되기 때문에 안전성이 높다.
3) 대기 중의 오염물의 영향을 받지 않기 때문에 신뢰도가 높다.
4) 소음이 적고 환경조화를 기할 수 있다.
5) 육안점검이 불가능하여 사고 조기발견이 어렵다.
4. 빙설이 많은 지방에서 을종 풍압하중을 적용하는 전선 기타 가섭선 주위 부착되는 빙설의 두께와 비중을 구해라.
1) 두께: 6[mm]
2) 비중: 0.9
* 가섭선: 지지물에 설치된 전선
5. 지중 전선로는 어떤 방식에 의하여 시설하여야 하는지 3가지 작성
1) 직접매설식
2) 관로식
3) 암거식
6. 역률 개선용 콘덴서에 직렬리액터를 설치하였다. 제3고조파가 존재하는 것을 고려할 때 리액터 용량은 콘덴서 용량의 몇 [%]인지 쓰시오. 단, 주파수 변동을 고려할 때 콘덴서 용량은 2 [%]의 추가여유를 둔다.
11[%]로 산정하지만 13[%]의 값을 사용한다.
제3고조파를 감소시키기 위한 리액터 용량: 3wL = 1/3wC → wL = 1/3x3wC = 0.1111 x 1/wC
주파수 변동을 고려할 때 콘덴서 용량 2%의 추가여유를 둔다고 했으므로 13%.
7. 다음은 한국전기설비규정에 의거하여 저압전로에 사용하는 주택용 배선차단기의 과전류 트립동작시간 및 순서트립에 따른 구분을 나타낸 것이다. 표에 알맞은 말을 채워라.
| 차단기 유형 | 순시트립범위 (In은 정격전류) |
| ① | 3 In 초과 ~ 5 In 이하 |
| ② | 5 In 초과 ~ 10 In 이하 |
| ③ | 10 In 초과 ~ 20 In 이하 |
| 정격전류 구분 | 시간 | 부동작 전류 | 동작 전류 |
| 63 [A] 이하 | 60 분 | ④ | ⑤ |
| 63 [A] 초과 | 120 분 | ⑥ | ⑦ |
① B ② C ③ D ④ 1.13배 ⑤ 1.45배 ⑥ 1.13배 ⑦ 1.45배
8. 다음은 전기안전관리자의 직무에 관한 고시 제6조에 대한 사항이다. 빈칸에 알맞은 말을 쓰시오.
가) 전기안전관리자는 제1항에 따라 기록한 서류(전자문서를 포함한다)를 전기설비 설치 장소 또는 사업장마다 갖추어 두고, 그 기록서류를 ( ① ) 년간 보조하여야 한다.
나) 전기안전관리자는 법 제11조에 따른 정기검사 시 제1항에 따라 기록한 서류(전자문서 포함)를 제출하여야 한다. 다만, 법 제38조에 전기안전종합정보시스템에 매월 ( ② ) 회 이상 안전관리를 위한 확인/점검 결과 등을 입력한 경우에는 제출하지 아니할 수 있다.
① 4 ② 1
9. 연료 전지의 특징 3가지는?
1) 발전효율이 높다
2) 환경상의 문제가 없어 수용가 근처에 설치가 가능하다
3) 단위 출력당의 용적 또는 무게가 작다
10. 차단기 트립방식의 명칭을 쓰시오.
| 트립 방식 | ① | ② | ③ |
| 내용 | 고장시 변류기 2차 전류에 의해 트립되는 방식 | 고장시 콘덴서 충전전하에 의해 트립되는 방식 | 고장시 전압의 저하에 의해 트립되는 방식 |
① 과전류 트립방식 ② 콘덴서 트립방식 ③ 부족전압 트립방식
▼ 차단기 트립방식의 종류
차단기를 작동한다는 것은 회로를 끊어버린다(open, 열다)는 의미이다. 따라서 트립방식은 차단기를 작동시키는 방식이라고 이해하면 된다.
1) 직류전압 트립방식 (DC 방식)
2) 콘덴서 트립방식 (CTD 방식)
3) 과전류 트립방식
4) 부족전압 트립방식
11. KEC에 따른 과전류 보호에 대한 설명이다. 다음 빈칸에 알맞은 내용을 써라.
"중성선을 ( ① ) 및 ( ② ) 하는 회로의 경우에 설치하는 개폐기 및 차단기는 ( ① ) 시에는 중성선이 선도체보다 늦게 ( ① ) 되어야 하며, ( ② ) 시에는 선도체와 동시 또는 그 이전에 ( ② ) 되는 것을 설치하여야 한다. "
① 차단 ② 재폐로
중성선은 이상전압(지락, 단락, 개폐서지 등)이 발생하였을 때 이상전압을 대지로 안전하게 방출시켜 기기와 선로를 보호하는 역할을 한다. 즉, 선로에 발생한 이상전압을 대지로 보내야 하는데 만약 중성선의 개폐장치가 차단되어 있다면 이상전압이 대지로 잘 못 흘러갈 것이다. 따라서 선도체보다 늦게 차단(=개로, open)되어야 한다. 그리고 다시 재폐로(=투입, close) 될 대에도 선도체보다는 빨리 재폐로 되거나 최소한 동시에 재폐로 되어야 그 짧은 시간 사이에 이상전압이 발생하더라도 대지로 방출할 수 있기 때문에 이러한 순서를 명시해 놓은 것이 아닐까 싶다.

12. 다음 차단기 약호를 보고 명칭을 써라.
1) OCB: ①
2) ABB: ②
3) GCB: ③
4) MBB: ④
① 유입 차단기 ② 공기 차단기 ③ 가스 차단기 ④ 자기 차단기
▼ 차단기는 고압용과 저압용으로 구분
1) 고압용 차단기
1. OCB 유입 차단기
2. ABB 공기 차단기
3. VCB 진공 차단기
4. GCB 가스 차단기
5. MBB 자기 차단기
2) 저압용 차단기
1. ACB 기중 차단기
2. ELB 누전 차단기
3. MCCB 배선용 차단기
13. VCB의 특징 3가지는?
1) 차단 성능이 우수하고, 차단 시간이 짧다
2) 수명이 길다
3) 기름 사용을 안해서 화재에 대한 안전성이 우수하다
(추가)
1. 개폐서지가 발생한다
2. 진공도의 열화 판정이 곤란하다.
14. 소선의 직경이 3.2 [mm]인 37가닥의 연선을 사용할 경우 외경은 몇 [mm]인가?
22.4 [mm]
연선은 여러가닥의 소선으로 이루어진 전선을 의미한다.

* 전선 구조에 따른 분류
1) 단선: 한 가닥으로 구성된 전선
2) 연선: 단선을 여러가닥으로 꼬아서 구성한 전선
3) 중공연선: 200kV 이상의 초고압에서 사용하는 전선으로 코로나 발생 방지를 위해 사용한다. (공칭전압으로 보면 345, 765kV 에서 사용하는 전선)
37가닥의 연선은 총 3층으로 구성되어 있다. (중심소선은 제외)
※ 네이버 블로그 '수호랑의 전기생활'에 개념 및 계산 풀이가 잘되어 있어 저도 공부할겸 따라 정리 및 내용 가져왔습니다.

N = 1 + 3n (n+1)에 의해 37 = 1 + 3n (n+1),
n = 3 (층)

따라서 3.2 x 7 = 22.4 [mm]를 계산할 수 있다.
15. 다음은 한국전기설비규정에 의거하여 피뢰기 설치장소를 나타낸 것이다. 괄호 안에 들어갈 알맞은 말은?
1) ( ① ) 의 가공전선 인입구 및 인출구
2) ( ② ) 에 접속하는 ( ③ ) 변압기의 고압 및 특고압측
3) 고압 및 특고압 가공전선로로부터 공급을 받는 ( ④ ) 의 인입구
4) 가공전선로와 ( ⑤ )가 접속되는 곳
① 발전소 및 변전소 또는 이에 준하는 장소 ② 특고압 가공전선로 ③ 배전용 ④ 수용장소 ⑤ 지중 전선로
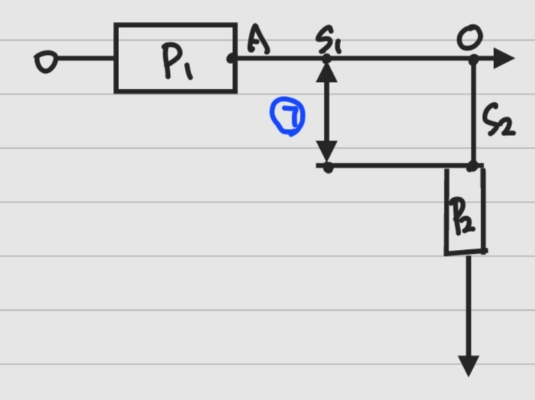
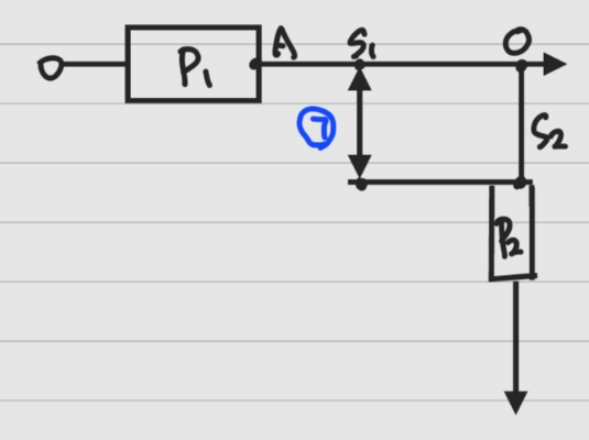
16. 다음은 과부하 보호장치의 설치 위치에 대한 내용이다.
"분기회로의 (S2) 보호장치(P2)는 보호장치의 전원 측에서 분기점(O) 사이에 다른 분기회로 또는 콘센트의 접속이 없고, 단락의 위험과 화재 및 인체에 대한 위험성이 최소화되도록 시설된 경우 분기회로의 보호장치 P2는 분기회로의 분기점으로부터 ( ① ) m 까지 이동하여 설치할 수 있다.

① 3
17. 델타결선 변압기의 한 대가 고장으로 제거되어 V 결선으로 공급할 때, 변압기의 출력비와 이용률은 각각 몇 [%] 인가?
1) 출력비: 루트3/3 x 100% = 57.74 %
2) 이용률: 루트3/2 x 100% = 86.6 %
다음 글
전기기사 실기 24년도 단답 문제 및 개념 정리
전기기사 실기 공부를 위해 인터넷에 돌아다니는 '전기기사 실기 24년도 단답 문제' 모음 및 개념 정리 글입니다. (출처 네이버 블로그 '수호랑의 전기생활' 및 'feedbackloop_') 전기기사 실기 시험에
favdays.com
전기기사 실기 22년도 단답 문제 및 개념 정리
전기기사 실기 공부를 위해 교재 속 '전기기사 실기 22년도 단답 문제' 모음 및 개념 정리 글입니다. 전기기사 실기 시험에 조금이라도 도움이 되길 바랍니다.1. 최대수용전력이 5000[kW]이고, 부하
favdays.com
'전기기사 > 단답' 카테고리의 다른 글
| 전기기사 실기 13년도 단답 문제 및 개념 정리 (2) | 2025.06.18 |
|---|---|
| 전기기사 실기 12년도 단답 문제 및 개념 정리 (0) | 2025.06.18 |
| 전기기사 실기 11년도 단답 문제 및 개념 정리 (0) | 2025.06.13 |
| 전기기사 실기 10년도 단답 문제 및 개념 정리 (6) | 2025.06.13 |
| 전기기사 실기 24년도 단답 문제 및 개념 정리 (1) | 2025.06.08 |