전기기사 실기 공부를 위해 교재 속 '전기기사 실기 20년도 단답 문제' 모음 및 개념 정리 글입니다. 전기기사 실기 시험에 조금이라도 도움이 되길 바랍니다.
1. 소선의 직경이 3.2 [mm]인 37가닥의 연선을 사용할 경우 외경은 몇 [mm]인가?
22.4 [mm]
연선은 여러가닥의 소선으로 이루어진 전선을 의미한다.

* 전선 구조에 따른 분류
1) 단선: 한 가닥으로 구성된 전선
2) 연선: 단선을 여러가닥으로 꼬아서 구성한 전선
3) 중공연선: 200kV 이상의 초고압에서 사용하는 전선으로 코로나 발생 방지를 위해 사용한다. (공칭전압으로 보면 345, 765kV 에서 사용하는 전선)
37가닥의 연선은 총 3층으로 구성되어 있다. (중심소선은 제외)
※ 네이버 블로그 '수호랑의 전기생활'에 개념 및 계산 풀이가 잘되어 있어 저도 공부할겸 따라 정리 및 내용 가져왔습니다.

N = 1 + 3n (n+1)에 의해 37 = 1 + 3n (n+1),
n = 3 (층)

따라서 3.2 x 7 = 22.4 [mm]를 계산할 수 있다.
2. 설계자가 크기, 형상 등 전체적인 조화를 생각하여 형광등 기구를 벽면 상방모서리에 숨겨서 설치하는 방식으로서 기구로부터의 빛이 직접 벽면을 조명하는 건축화 조명의 명칭을 쓰시오.
코오니스 (cornice light) 조명
3. 다음 수전설비 단선도를 보고 각 물음에 답하시오.

1) 단선도에 표시된 ASS의 최대과전류 Lock 전류값과 과전류 Lock 기능을 설명하시오.
최대과전류 Lock 전류 [A]: 880 [A]
과전류 Lock 기능이란: 전류 Lock 전류 이상 발생시 개폐기 (ASS)는 Lock 되어 차단되지 않고, 후비보호장치에 의해 고장전류 제거 후 개폐기 (ASS)가 개방되어 고장구간을 자동 분리하는 기능
2) 단선도에 표시된 피뢰기의 정격전압[kV]과 제1보호 대상을 쓰시오.
정격전압: 18 [kV]
제1보호대상: 전력용 변압기
3) 단선도에 표시된 한류형 PF의 단점 2가지를 쓰시오.
ㄱ. 재투입이 불가능하다
ㄴ. 차단 시 과전압이 발생한다.
4) 단선도에 표시된 MOF에 대한 과전류강도 적용기준으로 다음의 ( )에 들어갈 내용을 답란에 쓰시오.
"MOF의 과전류강도는 기기 설치점에서 단락전류에 의하여 계산 적용하되, 22.9 kV 급으로서 60A 이하의 MOF 최소 과전류강도는 전기사업자 규격에 의한 ( A ) 배로 하고, 계산한 값이 75배 이상인 경우에는 ( B ) 배를 적용하며, 60 A 초과 시 MOF의 과전류강도는 ( C ) 배로 적용한다. "
A: 75, B: 150, C: 40
4. 계기용 변류기(CT)를 선정할 때 열적 과전류강도와 기계적 과전류강도를 고려하여야 한다. 이때 열적 과전류강도와 기계적 과전류강도의 관계식을 쓰시오.
1) 열적 과전류강도 관계식 (단, Sn: 정격 과전류강도[kA], S: 통전시간 t초에 대한 열적 과전류강도, t: 통전시간[sec])

2) 기계적 과전류강도 관계식
기계적 과전류강도 = 2.5 S = 2.5 x [ Sn / (루트 t) ]
5. 가공선로의 ACSR에 Damper를 설치하는 목적을 쓰시오
가공전선의 진동을 방지
* 댐퍼: 가공전선에 바람이 불면 전선 주변에 와류가 발생하여 상하로 진동하며, 이러한 진동을 억제하기 위한 장치로 스톡브릿지댐퍼, 토셔널댐퍼, 아머로드 댐퍼 또는 베이츠댐퍼가 사용된다.
6. 고압 및 특고압 가공전선로에는 피뢰기 또는 가공지선 등의 피뢰장치를 시설하여야 한다. 한국전기설비규정에서 정의하는 피뢰기를 시설하여야 하는 장소를 3개소만 쓰시오.
1) 발전소 및 변전소 또는 이에 준하는 장소의 가공전선 인입구 및 인출구
2) 특고압 가공전선로에 접속하는 배전용 변압기의 고압측 및 특고압측
3) 고압 및 특고압 가공전선로로부터 공급을 받는 수용장소의 인입구
(추가)
4) 가공전선로와 지중전선로가 접속되는 곳
7. 아래의 표에서 금속관 부품의 특징에 해당하는 부품명을 쓰시오.
| 부품명 | 특징 |
| A | 관과 박스를 접속할 경우 파이프 나사를 죄어 고정시키는데 사용되며 6각형과 기어형이 있다. |
| B | 전선 관단에 끼우고 전선을 넣거나 빼는 데 있어서 전선의 피복을 보호하여 전선이 손상되지 않게 하는 것으로 금속제와 합성수지제의 2종류가 있다. |
| C | 금속관 상호 접속 또는 관과 노멀 밴드와의 접속에 사용되며 내면에 나사가 나있으며 관의 양측을 돌리어 사용할 수 없는 경우 유니온 커플링을 사용한다. |
| D | 노출 배관에서 금속관을 조영재에 고정시키는데 사용되며 합성수지 전선관, 가요 전선관, 케이블 공사에도 사용된다. |
| E | 배관의 직각 굴곡에 사용하며 양단에 나사가 나있어 관과의 접속에는 커플링을 사용한다. |
| F | 금속관을 아웃렛 박스의 노크아웃에 취부할 때 노크아웃의 구멍이 관의 구멍보다 클 때 사용된다. |
| G | 매입형의 스위치나 콘센트를 고정하는데 사용되며 1개용, 2개용, 3개용 등이 있다. |
| H | 전선관 공사에 있어 전등 기구나 점멸기 또는 콘센트의 고정, 접속합으로 사용되며 4각 및 8각이 있다. |
A: 로크너트, B: 부싱 , C: 커플링, D: 새들, E: 노멀밴드, F: 링 리듀우서 (ring reducer) , G: 스위치 박스, H: 아웃렛 박스
*

8. 각 단상 유도전동기의 역회전 방법을 <보기>에서 찾아 그 기호를 ( ) 에 쓰시오.
<보기>
(ㄱ) 역회전 불가
(ㄴ) 2개의 브러시 위치를 반대로 한다.
(ㄷ) 전원에 대하여 주권선이나 기동권선 중 어느 한 권선만 접속을 반대로 한다.
가. 분상 기동형 ( A )
나. 반발 기동형 ( B )
다. 셰이딩 코일형 ( C )
A: ㄷ, B: ㄴ, C: ㄱ
9. 전력시설물 공사감리업무 수행지침에 따른 착공신고서 검토 및 보고에 대한 내용이다. 다음 ( ) 안에 들어갈 내용을 답란에 쓰시오.
감리원은 공사가 시작된 경우에는 공사업자로부터 다음 각 호의 서류가 포함된 착공신고를 제출받아 적정성 여부를 검토하여 7일 이내에 발주자에게 보고하여야 한다.
1. 시공관리책임자 지정통지서 (현장관리조직, 안전관리자)
2. ( A )
3. ( B )
4. 공사도급 계약서 사본 및 산출내역서
5. 공사 시작 전 사진
6. 현장기술자 경력사항 확인서 및 자격증 사본
7. ( C )
8. 작업인원 및 장비투입 계획서
9. 그 밖에 발주자가 지정한 사항
A: 공사 예정 공정표, B: 품질관리계획서, C: 안전관리계획서
10. 퓨즈 정격사항에 대하여 주어진 표의 빈 칸에 쓰시오.
| 계통전압 [kV] | 퓨즈 정격 | |
| 퓨즈 정격전압 [kV] | 최대 설계전압 [kV] | |
| 6.6 | A | 8.25 |
| 13.2 | 15 | B |
| 22 또는 22.9 | C | 25.8 |
| 66 | 69 | D |
| 154 | F | 169 |
A: 7.5, B: 15.5, C: 23, D 72.5, F: 161
*전력 퓨즈의 정격

11. 현재 적용되고 있는 차단기 약호와 차단기 약호에 대한 한글 명칭을 각 물음에 맞게 3가지만 쓰시오.
1) 특고압용 차단기
| 차단기 약호 | 한글 명칭 |
| GCB | 가스 차단기 |
| OCB | 유입 차단기 |
| VCB | 진공 차단기 |
2) 저압용 차단기
| 차단기 약호 | 한글 명칭 |
| ACB | 기중 차단기 |
| MCCB | 배선용 차단기 |
| ELB | 누전 차단기 |
12. 전동기에 개별로 콘덴서를 설치할 경우 발생할 수 있는 자기여자현상의 발생 원인과 현상을 설명하시오.
원인: 콘덴서 전류가 전동기의 무부하 전류보다 큰 경우 발생
현상: 전동기 단자전압이 일시적으로 정격 전압을 초과하는 현상
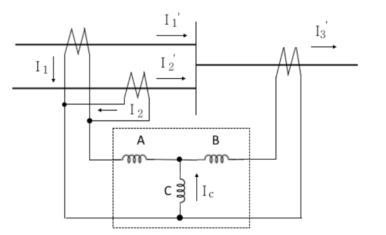
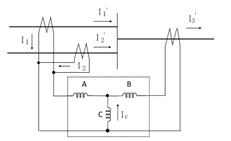
13. 그림은 모선의 단락보호 계전방식을 도면화한 것이다. 이 도면을 보고 다음 각 물음에 답하시오.

1) 점선 안의 계전기 명칭을 쓰시오.
비율 차동 계전기
2) 계전기 코일 A, B, C의 명칭을 쓰시오
A: 억제 코일 , B: 억제 코일, C: 동작 코일
3) 모선에 단락고장이 생길 때 코일 C의 전류 Ic 크기를 구하는 관계식을 쓰시오.
Ic = | ( I1 + I2) - I3 |
14. 동기 발전기에 대한 다음 ( ) 안에 알맞은 내용을 쓰시오. (단, 내용은 증가, 감소, 높다(고), 낮다(고) 등으로 표현한다.)
"단락비가 큰 동기발전기는 일반적으로 전기자 권선의 권수가 적고 자속수가 ( A )하여 기계의 부피가 커지고 따라서 가격도 상승하여 철손과 풍손이 크므로 효율은 ( B ), 전압변동률은 양호하고 과부하에 대한 내력이 증가하여 안정도가 ( C )."
A: 증가, B: 낮고, C: 증가
* 단락비가 큰 기계(철기계)의 특징
1) 동기 임피던스가 적다.
2) 전압변동률이 작다.
3) 전기자 반작용이 작다.
4) 출력이 크다.
5) 과부하 내량이 크고 안정도가 높다.
6) 자기 여자 현상이 작다.
7) 극수가 많은 저속기에 적합하다.
15. 설계감리업무 수행지침에 따른 설계감리의 기성 및 준공에 대한 내용이다. 다음 ( ) 안에 들어갈 내용을 답란에 쓰시오.
책임 설계감리원이 설계감리의 기성 및 준공을 처리한 때에는 다음 각 호의 준공서류를 구비하여 발주자에게 제출하여야 한다.
1. 설계용역 기성부분 검사원 또는 설계용역 준공검사원
2. 설계용역 기성부분 내역서
3. 설계감리 결과보고서
4. 감리기록서류
가. ( A ), 나. ( B ),
다. ( C ), 다. ( D ), 마. ( E )
5. 그 밖에 발주자가 과업지시서상에서 요구한 사항
A: 설계감리일지, B: 설계감리지시부, C: 설계감리기록부, D: 설계감리요청서, E: 설계자와 협의사항 기록부
16. 방폭형전동기란 어떤 것인지 설명하고, 방폭구조의 종류 3가지만 쓰시오.
1) 방폭형 전동기: 지정된 폭발성 가스 중에서의 사용에 적합하도록 구조 기타에 관하여 특별히 고려된 전동기
2) 방폭구조의 종류
내압 방폭구조, 압력 방폭구조, 유입 방폭구조
17. CT에 대한 다음 각 물음에 답하시오.
1) Y - △로 결선한 주변압기의 보호로 비율차동계전기를 사용한다면 CT의 결선은 어떻게 하여야 하는지 설명하시오.
주 변압기 1차측에 사용되는 변류기는 △결선, 2차측에 사용되는 변류기는 Y결선을 한다. ( 변압기 결선과 반대로 결선한다.)
2) 통전 중에 있는 변류기의 2차측 기기를 교체하고자 할 때 가장 먼저 취하여야 할 사항을 설명하시오.
2차측을 단락시킨다.
18. 전력계통의 발전기, 변압기 등의 증설이나 송전선의 신·증설로 인하여 단락 ·지락전류가 증가하여 송변전 기기에의 손상이 증대되고, 부근에 있는 통신선의 유도장해가 증가하는 등의 문제점이 예상되므로, 단락용량의 경감대책을 세워야 한다. 이 대책을 3가지만 쓰시오.
1) 고 임피던스 기기를 채택한다.
2) 한류리액터를 설치한다.
3) 모선계통을 분리 운용한다.
19. 전력시설물 공사감리업무 수행지침에서 정하는 감리원은 해당 공사 완료 후 준공검사 전에 사전 시운전 등이 필요한 부분에 대하여는 공사업자에게 시운전을 위한 계획을 수립하여 시운전 30일 이내에 제출하도록 하고, 이를 검토하여 발주자에게 제출하여야 한다. 시운전을 위한 계획 수립 시 포함되어야 하는 사항 3가지만 쓰시오.
1) 시운전 일정
2) 시운전 항목 및 종류
3) 시운전 절차
20. 수용가의 수전설비 계통도에 대한 다음 각 물음에 답하시오.

1) AISS의 한글 명칭을 쓰고, 기능을 2가지 쓰시오.
명칭: 기중형 고장구간 자동개폐기
기능:
ㄱ. 고장 구간을 자동으로 개방하여 파급사고를 방지
ㄴ. 전부하 상태에서 자동(또는 수동)으로 개방할 수 있어 과부하 보호
2) 피뢰기의 정격전압 및 공칭방전전류를 쓰고, DISC. 기능을 간단히 설명하시오.
정격전압: 18 [kV]
공칭방전전류: 2.5 [kA]
DISC. (Disconnector) 기능: 피뢰기 고장시 DISC.가 개방됨으로써 피뢰기를 대지로부터 분리시키는 기능
3) MOF의 정격을 구하시오.
PT비: 22900/루트3 / 190/루트3
CT비: I1 = 300 k / ( 루트 3 x 22.9 k ) = 7.56 A , 따라서 변류비 10/5 선정
4) MOLD TR의 장점 및 단점을 각각 2가지만 쓰시오
[장점]
ㄱ. 난연성이 우수하다.
ㄴ. 전력손실이 적다.
[단점]
ㄱ. 충격파 내전압이 낮다.
ㄴ. 수지층에 차폐물이 없으므로 운전 중 코일 표면과 접촉하면 위험하다.
5) ACB의 명칭을 쓰시오.
기중 차단기
21. 조명에 사용되는 광원의 발광 원리를 3가지만 쓰시오.
1) 온도복사에 의한 백열발광
2) 루미네선스에 의한 방전발광
3) 일렉트로 루미네선스에 의한 전계발광
다음 글
전기기사 실기 21년도 단답 문제 및 개념 정리
전기기사 실기 공부를 위해 교재 속 '전기기사 실기 21년도 단답 문제' 모음 및 개념 정리 글입니다. 전기기사 실기 시험에 조금이라도 도움이 되길 바랍니다.1. 접지 저항을 결정하는 3가지 저항
favdays.com
전기기사 실기 19년도 단답 문제 및 개념 정리
전기기사 실기 공부를 위해 교재 속 '전기기사 실기 19년도 단답 문제' 모음 및 개념 정리 글입니다. 전기기사 실기 시험에 조금이라도 도움이 되길 바랍니다.1. 스폿 네트워크 (Spot Network) 수전방
favdays.com
'전기기사 > 단답' 카테고리의 다른 글
| 전기기사 실기 22년도 단답 문제 및 개념 정리 (2) | 2025.07.02 |
|---|---|
| 전기기사 실기 21년도 단답 문제 및 개념 정리 (1) | 2025.07.02 |
| 전기기사 실기 19년도 단답 문제 및 개념 정리 (0) | 2025.06.29 |
| 전기기사 실기 18년도 단답 문제 및 개념 정리 (0) | 2025.06.29 |
| 전기기사 실기 17년도 단답 문제 및 개념 정리 (1) | 2025.06.24 |