전기기사 실기 공부를 위해 교재 속 '전기기사 실기 17년도 단답 문제' 모음 및 개념 정리 글입니다. 전기기사 실기 시험에 조금이라도 도움이 되길 바랍니다.
1. 조명의 전등효율과 발광효율에 대해 설명하시오.
1) 전등 효율: 전력소비 P에 대한 전발산광속 F의 비율을 전등효율 η 이라고 한다.
2) 발광효율: 방사속 Φ 에 대한 광속 F의 비율을 그 광원의 발광효율 Є 이라고 한다.
2. 22.9[kV]/380-220[V] 변압기 결선은 보통 △-Y 결선 방식을 사용하고 있다. 이 결선 방식에 대한 장점과 단점 각각 2가지씩.
[장점]
1) 한 쪽 Y결선의 중성점을 접지 할 수 있다.
2) Y결선의 상전압은 선간전압의 1/루트3 이므로 절연이 용이하다.
[단점]
1) 1상에 고장이 생기면 전원 공급이 불가능해 진다.
2) 중성점 접지로 인한 유도장해를 초래한다.
3. 교류 동기 발전기에 대한 다음 각 물음에 답하시오.
1) 다음 괄호 안에 알맞은 내용을 쓰시오. (크다, 적다, 높다, 낮다 등으로 표현)
"단락비가 큰 교류발전기는 일반적으로 기계의 치수가 ( A ), 가격이 ( B ), 풍손, 마찰손, 철손이 ( C ), 효율은 ( D ), 전압변동률은 ( E ), 안정도는 ( F ).
A: 크고, B: 높고, C: 크고, D: 낮고, E: 작고, F: 높다
2) 비상용 동기 발전기의 병렬운전 조건 4가지
ㄱ. 기전력의 파형이 같을 것
ㄴ. 기전력의 크기가 같을 것
ㄷ. 기전력의 주파수가 같을 것
ㄹ. 기전력의 위상이 같을 것
4. 다음은 전력시설물 공사감리업무 수행지침과 관련된 사항이다. ( ) 안에 알맞은 내용을 쓰시오.
"감리원은 설계도서 등에 대하여 공사계약문서 상호 간의 모순되는 사항, 현장 실정과의 부합여부 등 현장 시공을 주안으로 하여 해당 공사 시작 전에 검토하여야 하며 검토내용에는 다음 각 호의 사항 등이 포함되어야 한다.
1. 현장조건에 부합 여부
2. 시공의 ( A ) 여부
3. 다른 사업 또는 다른 공정과의 상호부합 여부
4. ( B ), 설계설명서, 기술계산서, ( C ) 등의 내용에 대한 상호일치 여부
5. ( D ), 오류 등 불명확한 부분의 존재여부
6. 발주자가 제공한 ( E )와 공사업자가 제출한 산출내역서의 수량일치 여부
7. 시공 상의 예상 문제점 및 대책 등
A: 실제가능, B: 설계도면, C: 산출내역서, D: 설계도서의 누락, E: 물량 내역서
5. 에너지 절약을 위한 동력설비의 대응방안 5가지
1) 고효율 전동기 채용
2) 부하 역률 개선 (역률 개선용 콘덴서를 전동기별로 설치)
3) 전동기 제어 시스템의 적용
4) 에너지 절약형 공조기기 system 채택
5) 엘리베이터의 효율적 관리
(추가)
6) 부하에 맞는 적정용량의 전동기 선정
6. 접지설비에서 보호도체에 대한 다음 각 물음에 답하시오.
1) 보호도체란 안전을 목적(가령 감전보호)으로 설치된 전선으로서 다음 표의 단면적 이상으로 선정하여야 한다. 빈칸에 알맞은 보호도체 최소 단면적의 기준을 각각 쓰시오.
| 선도체의 단면적 S[mm^2] | 보호도체의 최소 단면적[mm^2] (보호도체의 재질이 상전선과 같은 경우) |
| S <= 16 | ( A ) |
| 16 < S <= 35 | ( B ) |
| 35 < S | ( C ) |
A: S, B: 16, C: S/2
2) 보호도체의 종류 2가지
ㄱ. 다심케이블의 도체
ㄴ. 고정된 절연도체 또는 나도체
* 1) 보호도체의 단면적[mm^2] 공식

2) 보호도체의 종류
보호도체는 다음 중 하나 또는 복수로 구성하여야 한다.
ㄱ. 다심케이블의 도체
ㄴ. 충전도체와 같은 트렁킹에 수납된 절연도체 또는 나도체
ㄷ. 고정된 절연도체 또는 나도체
ㄹ. 금속케이블 외장, 케이블 차폐, 케이블 외장, 전선묶음(편조전선), 동심도체, 금속관
7. 3상 농형 유도전동기의 기동방식 중 리액터 기동방식이란?
기동시 유도전동기에 직렬로 리액터를 설치하여 전동기에 인가되는 단자전압을 감압시켜 기동하는 방법
* 농형 유도전동기의 기동법
농형 유도전동기의 기동토크 Ts는 전압의 제곱에 비례한다. 따라서 단자전압을 감소시키면 전류는 감소하고 기동토크도 감소하게 된다.
1) 전 전압 기동법
전동기에 별도의 기동장치를 사용하지 않고 직접 정격전압을 인가하여 기동하는 방법
2) Y - △ 기동 방법
기동시 고정자권선을 Y로 접속하여 기동함으로써 기동전류를 감소시키고 운전속도에 가까워지면 권선을 △로 변경하여 운전하는 방식 ( △ 기동시에 비해 기동전류는 1/3, 기동토크도 1/3으로 감소한다.)
3) 리액터 기동방법
전동기의 1차측에 직렬로 철심이 든 리액터를 설치하고 그 리액턴스의 값을 조정하여 전동기에 인가되는 전압을 제어함으로써 기동전류 및 토크를 제어하는 방식
4) 기동보상기법
3상 단권변압기를 이용하여 전동기에 인가되는 기동전압을 감소시킴으로써 기동전류를 감소시키는 기동방식(3개의 탭(50, 65, 80%)을 용도에 따라 선택한다.)
8. 전동기의 진동과 소음이 발생되는 원인에 대하여 다음 각 물음에 답하시오.
1) 진동이 발생하는 원인 5가지
ㄱ. 기계적 언밸런스
ㄴ. 베어링의 불량
ㄷ. 전동기의 설치 불량
ㄹ. 부하기계와의 직결 불량
ㅁ. 부하기계로부터 오는 영향
2) 전동기 소음을 크게 3가지로 분류하고 각각에 대하여 설명하라.
ㄱ. 기계적 소음: 진동, 브러쉬의 습동, 베어링 등에 기인하는 소음
ㄴ. 전자적 소음: 철심의 여러 부분이 주기적인 자력, 전자력에 의해 진동하며 발생되는 소음
ㄷ. 통풍 소음: 팬, 회전자의 에어덕트 등 팬 작용으로 발생되는 소음
9. 전력시설물 공사감리업무 수행지침에서 정하는 발주자는 외부적 사업환경의 변동, 사업 추진 기본계획의 조정, 민원에 따른 노선변경, 공법변경, 그 밖의 시설물 추가 등으로 설계 변경이 필요한 경우에는 다음의 서류를 첨부하여 반드시 서면으로 책임 감리원에게 설계 변경을 하도록 지시하여야 한다. 이 경우 첨부하여야 하는 서류 5가지는?
1) 설계변경 개요서
2) 설계변경 도면
3) 설계설명서
4) 계산서
5) 수량산출 조서
10. 단선결선도의 약호, 명칭, 용도 또는 역할에 대하여 답란에 쓰시오.
1) PF: 전력용 퓨즈, 단락 전류 및 고장 전류 차단
2) LA: 피뢰기, 이상 전압 침입시 이를 대지로 방전시키며 속류를 차단한다.
3) COS: 컷아웃 스위치, 계기용 변압기 및 부하측에 고장 발생시 이를 고압회로로부터 분리하여 사고의 확대를 방지한다.
4) PT: 계기용 변압기, 고전압을 저전압(정격 110 V)으로 변성한다.
5) CT: 변류기, 대전류를 소전류(정격 5A)로 변성한다.
11. 배전선로의 전압조정기를 3가지만 쓰시오.
1) 자동 전압 조정기
2) 고정 승압기
3) 병렬 콘덴서
12. 콘덴서회로에서 고조파를 감소시키기 위한 직렬리액터 회로에 대하여 다음 각 물음에 답하시오.
1) 제5고조파를 감소시키기 위한 리액터의 용량은 콘덴서의 몇 [%] 이상이어야 하는지 쓰시오.
4%
2) 설계 시 주파수 변동이나 경제성을 고려하여 리액터의 용량은 콘덴서의 몇 [%] 정도를 표준으로 하고 있는지 쓰시오
6%
3) 제3고조파를 감소시키기 위한 리액터의 용량은 콘덴서의 몇 [%] 이상이어야 하는지 쓰시오.
11%
* 3wL = 1/(3wC), wL = 1/ (9wC)= 0.11/(wC)
13. 전력설비 점검 시 보호계전 계통의 오동작 원인 3가지
1) 보호 계전기의 허용 범위를 초과한 온도
2) 높은 습도에 의한 절연성능 저하 및 부식
3) 진동, 충격
(추가)
4) 진해에 따른 마찰저항 및 접촉저항 증가
5) 유해가스에 의한 금속부위 부식
6) 허용 범위를 초과한 제어전원의 과도한 전압변동
7) 전자파, 서지 및 노이즈에 의한 영향
14. 그림은 전위 강하법에 의한 접지저항 측정방법이다. E, P, C가 일직선상에 있을 때, 다음 물음에 답하시오 (단, E는 반지름 r인 반구모양 전극(측정대상 전극)이다.)

1) 그림 1과 그림 2의 측정방법 중 접지저항 값이 참값에 가까운 측정방법을 고르시오.
그림 1
2) 반구모양 접지 전극의 접지저항을 측정할 때 E-C간 거리의 몇 [%]인 곳에 전위 전극을 설치하면 정확한 접지저항 값을 얻을 수 있는지 설명하시오.
61.8 [%]
*해설
그림 2와 같은 전극배치에서는 참값을 구할 수 있는 P전극의 위치가 존재하지 않는다.

1) 접지
접지는 접지선과 접지극으로 구성된다. 접지설비는 접지시작점으로부터 접지선으로 연결되어 접지극에 도달하게 된다. 따라서 접지설비가 가지는 저항값은 = 접지선과 접지극의 저항의 합이 된다.
2) 접지저항은 낮아야 한다
접지를 한다는 것은 기본적으로 인체나 계통, 건축물은 보호하기 위한 목적이다. 보호대상물에 전류가 흐르는 것을 막기 위해서는 접지를 통해 대지로 연결된 회로의 저항이 최대한 낮아야 한다. 즉, 접지저항은 낮아야 한다. 보호대상물과 접지는 병렬 연결이므로 접지회로의 저항이 크면 보호대상물 방향으로 전류가 많이 흐른다.
3) 접지저항을 낮추는 물리적, 화학적 방법
ㄱ. 물리적 저감법
- 접지극을 병렬 연결
- 수평적으로 대지와의 접촉면적을 넓힌다.
- 접지 깊이를 깊게 매입하여 접촉면적을 넓힌다.
ㄴ. 화학적 저감법
- 주변토양에 전해질을 투입하여 대지저항을 낮춘다.
- 화학약품을 이용하여 접지극 자체의 저항을 낮춘다.
15. 1선 지락 고장시 접지계통별 고장전류의 경로를 답란에 쓰시오.
1) 단일 접지계통: 선로 - 지락점 - 대지 - 접지점 - 중성점 - 선로
2) 중성점 접지계통: 선로 - 지락점 - 대지 - 접지점 - 중성점 - 선로
3) 다중 접지계통: 선로 - 지락점 - 대지 - 다중 접지극의 접지점 - 중성점 - 선로
16. 고조파 전류는 각종 선로나 간선에 에너지절약 기기나 무정전전원장치 등이 증가되면서 선로에 발생하여 전원의 질을 떨어뜨리고 과열 및 이상 상태를 발생시키는 원인이 되고 있다. 고조파 전류를 방지하기 위한 대책 3가지는?
1) 전력변환 장치의 pulse 수를 크게 한다.
2) 고조파 필터를 사용하여 제거한다.
3) 변압기 결선에서 △결선을 채용하여 고조파 순환회로를 구성하여 외부에 고조파가 나타나지 않도록 한다.
17. 다음 기기의 명칭을 쓰시오.
1) 가공 배전선로 사고의 대부분은 조류 및 수목에 의한 접촉, 강풍, 낙뢰 등에 의한 플래시 오버 사고로서 이런 사고 발생시 신속하게 고장구간을 차단하고 사고점의 아크를 소멸시킨 후 즉시 재투입이 가능한 개폐장치이다.
리클로저
2) 보안상 책임 분계점에서 보수 점검 시 전로를 개폐하기 위하여 시설하는 것으로 반드시 무부하 상태에서 개발하여야 한다. 근래에는 ASS를 사용하며, 66kV 이상의 경우에는 이를 사용한다.
선로 개폐기
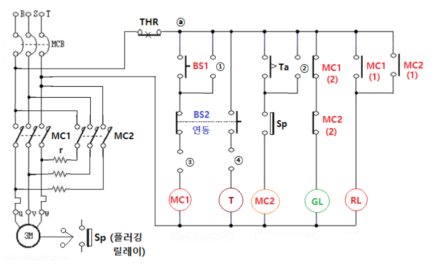
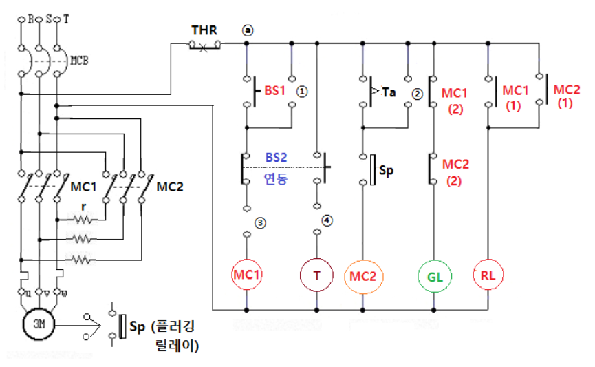
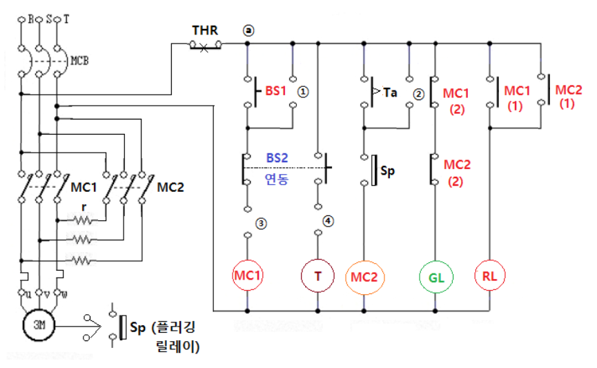
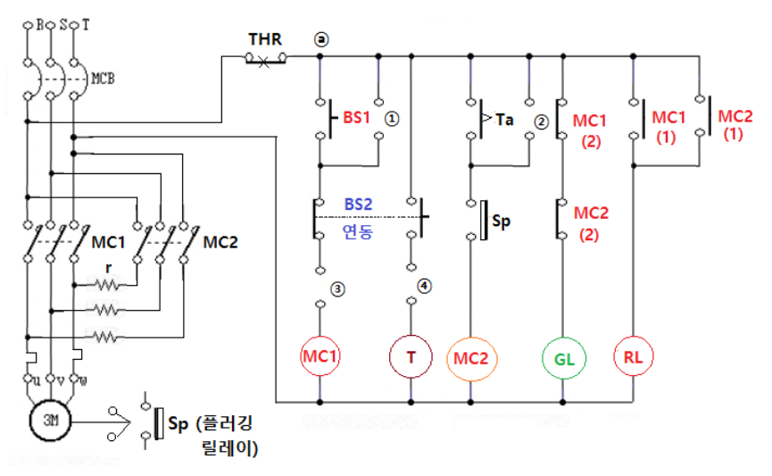
18. 그림은 3상 유도 전동기의 역상 제동 시퀀스회로이다. 물음에 답하시오 (단, 플러깅 릴레이 Sp는 전동기가 회전하면 접점이 닫히고, 속도가 0에 가까우면 열리도록 되어 있다.)

1) 회로에서 번호 1 ~ 4에 접점과 기호를 넣어라

2) MC1, MC2의 동작 과정을 간단히 설명해라.
ㄱ. BS1으로 MC1을 여자시켜 전동기를 직입 기동한다. (자기유지)
ㄴ. BS2를 눌러 MC1이 소자되면 전동기는 전원에서 분리되나 회전자 관성모멘트로 인하여 회전은 계속한다.
ㄷ. 이때 BS2의 연동접점으로 T가 MC1 소자 즉시 여자되며, BS2를 누르고 있는 상태에서 설정시간 후 MC2가 여자되어 전동기는 역회전하려고 한다. (자기 유지)
ㄹ. 전동기의 속도가 급격히 감소하여 0에 가까워지면 플러깅 릴레이에 의하여 전동기는 전원에서 완전히 분리되어 급정지한다. (플러깅 제동)
3) 보조 릴레이 T와 저항 r에 대하여 그 용도 및 역할에 대하여 간단히 설명해라.
T: 시간 지연 릴레이를 사용하여 제동시 과전류를 방지하는 시간적인 여유를 주기 위함
r: 역상 제동시 저항의 전압 강하로 전압을 줄이고 제동력을 제한함
19. 다음은 컴퓨터 등의 중요한 부하에 대한 무정전 전원공급을 위한 그림이다 " 가 ~ 마"에 적당한 전기 시설물의 명칭을 써라.

가: 자동 전압 조정기 (AVR), 나: 전환용 개폐기, 다: 컨버터 (정류기), 라: 인버터, 마: 축전지
20. 변압기의 절연내력 시험 전압에 대한 A ~ F의 알맞은 내용을 빈칸에 쓰시오.

A: 1.5, B: 0.92, C: 1.25, D: 1.25, E: 1.1, F: 0.72, G: 0.64, H: 1.1
* 변압기 절연내력 시험전압 표

21. 중성점 직접 접지 계통에 인접한 통신선의 전자 유도 장해 경감에 관한 대책을 경제성이 높은 것부터 설명하시오.
1) 근본 대책
전자유도 전압의 억제
2) 전력선측 대책 (3가지)
ㄱ. 고속도 지락 보호 계전 방식을 채용한다.
ㄴ. 차폐선을 설치한다.
ㄷ. 지중전선로 방식을 채용한다.
3) 통신선측 대책 (3가지)
ㄱ. 절연 변압기를 설치하여 구간을 분리한다.
ㄴ. 연피케이블을 사용한다.
ㄷ. 배류 코일을 설치한다.
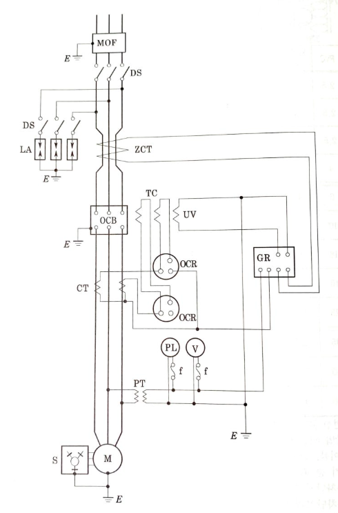
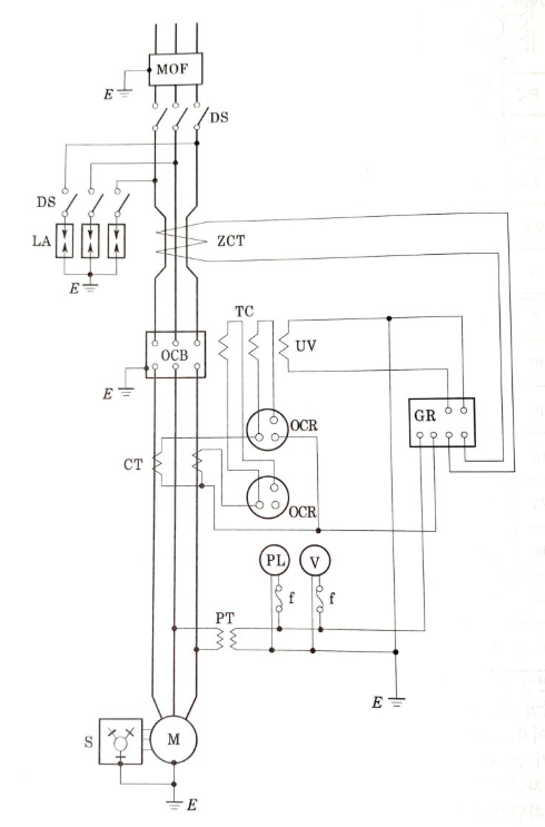
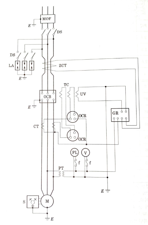
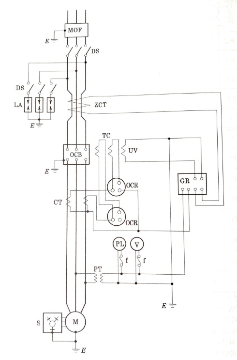
22. 그림은 고압 전동기 100[HP] 미만을 사용하는 고압 수전 설비 결선도이다. 이 그림을 보고 다음 각 물음에 답하시오.

1) 다음 명칭과 용도 또는 역할을 쓰시오
| 약호 | 명칭 | 역할 |
| MOF | 전력 수급용 계기용 변압기 | 전력량을 적산하기 위하여 고전압, 대전류를 저전압, 소전류로 변성하여 전력량계에 공급한다. |
| LA | 피뢰기 | 이상 전압이 내습하면 이를 대지로 방전하고, 속류를 차단한다. |
| ZCT | 영상 변류기 | 지락 사고시 영상 전류를 검출한다 |
| OCB | 유입 차단기 | 단락 및 과부하, 지락 사고 등 사고 전류 차단 및 부하 전류를 개폐하기 위한 장치 |
| OC | 과전류 계전기 | 정정값 이상의 전류가 흐르면 동작되는 계전기 |
| G | 지락 계전기 | 지락 사고 발생시 동작하는 계전기 |
2) 본 도면에서 생략할 수 있는 부분은?
LA용 DS
3) 전력용 콘덴서에 고조파 전류가 흐를 때 사용하는 기기는 무엇인가?
직렬 리액터
23. 주택 및 아파트에 설치하는 콘센트의 수는 주택의 크기, 생활수준, 생활방식 등이 다르기 때문에 일률적으로 규정하기는 곤란하다. 내선규정에서는 이 점에 대하여 아래의 표와 같이 규모별로 표준적인 콘센트 수와 바람직한 콘센트 수를 규정하고 있다. 아래 표를 완성하시오
| 방의 크기 [m^2] | 표준적인 설치 수 |
| 5 미만 | 1 |
| 5~10 미만 | 2 |
| 10 ~ 15 미만 | 3 |
| 15 ~ 20 미만 | 3 |
| 부엌 | 2 |
다음 글
전기기사 실기 18년도 단답 문제 및 개념 정리
전기기사 실기 공부를 위해 교재 속 '전기기사 실기 18년도 단답 문제' 모음 및 개념 정리 글입니다. 전기기사 실기 시험에 조금이라도 도움이 되길 바랍니다.1. 전력 퓨즈의 역할을 쓰시오부하
favdays.com
전기기사 실기 16년도 단답 문제 및 개념 정리
전기기사 실기 공부를 위해 교재 속 '전기기사 실기 16년도 단답 문제' 모음 및 개념 정리 글입니다. 전기기사 실기 시험에 조금이라도 도움이 되길 바랍니다.1. 피뢰기에 대한 다음 각 물음에 답
favdays.com
'전기기사 > 단답' 카테고리의 다른 글
| 전기기사 실기 19년도 단답 문제 및 개념 정리 (0) | 2025.06.29 |
|---|---|
| 전기기사 실기 18년도 단답 문제 및 개념 정리 (0) | 2025.06.29 |
| 전기기사 실기 16년도 단답 문제 및 개념 정리 (2) | 2025.06.20 |
| 전기기사 실기 15년도 단답 문제 및 개념 정리 (0) | 2025.06.20 |
| 전기기사 실기 14년도 단답 문제 및 개념 정리 (0) | 2025.06.20 |