전기기사 실기 공부를 위해 교재 속 '전기기사 실기 21년도 단답 문제' 모음 및 개념 정리 글입니다. 전기기사 실기 시험에 조금이라도 도움이 되길 바랍니다.
1. 접지 저항을 결정하는 3가지 저항 요소를 쓰시오.
1) 접지도체 및 접지전극 자체의 저항
2) 접지전극과 토양 사이의 접촉 저항
3) 접지전극 주위의 토양의 저항
2. 다음 조명에 대한 각 물음에 답하시오.
1) 어느 광원의 광색이 어느 온도의 흑체의 광색과 같을 때 그 흑체의 온도를 이 광원의 무엇이라 하는가?
색온도
2) 빛의 분광 특성이 색의 보임에 미치는 효과를 말하며, 동일한 색을 가진 것이라도 조명하는 빛에 따라 다르게 보이는 특성을 무엇이라 하는가?
연색성
* 온도
일반적으로 온도가 낮은 물체에서 방사하는 빛은 붉고, 온도가 높아질수록 흰색을 띠며, 더욱 온도가 높아질수록 푸른색을 띠게 된다.
1) 색온도: 어떤 광원의 광색이 어느 온도의 흑체의 광색과 같을 때, 그 흑체의 온도를 이 광원의 색온도라고 한다.
2) 휘도 온도: 휘도가 같을 때의 흑체의 온도
3) 진온도: 온도 복사체의 실제 온도
4) 복사 온도: 전체 복사속이 같을 때의 흑체의 온도
온도의 크기는 '색온도 > 진온도 > 휘도온도> 복사온도'의 순이다.
* 물체는 분광분포가 다른 광원을 비추면 각각 다른 색으로 보인다. 이와 같이 조명에 의한 물체의 색깔을 결정하는 광원의 성질을 연색성이라 하며, 크세논등 > 백색 형광등 > 형광 수은등 > 나트륨등 순으로 연색성이 우수하다.
3. 한국전기설비규정에 따른 수용가 설비에서의 전압강하에 대한 내용이다. 다음 각 물음에 답하시오.
1) 다른 조건을 고려하지 않는다면 수용가 설비의 인입구로부터 기기까지의 전압강하는 다음 표의 값 이하이어야 한다. 다음 ( ) 에 들어갈 내용을 쓰시오.
| 설비의 유형 | 조명 ( % ) | 기타 ( % ) |
| A - 저압으로 수전하는 경우 | ( A ) | ( B ) |
| B - 고압 이상으로 수전하는 경우 | ( C ) | ( D ) |
A: 3, B: 5, C: 6, D: 8
2) 1)항의 조건보다 더 큰 전압강하를 허용할 수 있는 경우를 2가지만 쓰시오.
ㄱ. 기동 시간 중의 전동기
ㄴ. 돌입전류가 큰 기타 기기
4. 다음 [보기]는 지중 케이블의 사고점 측정법과 절연의 건전도를 측정하는 방법을 열거한 것이다. 이것을 사고점 측정법과 절연 측정법으로 구분하시오
[보기]
1) Megger법 2) Tanδ측정법 3) 부분방전측정법
4) Murray Loop법 5) Capacity bridge법 6) Pulse radar법
사고점 측정법: 4, 5, 6
절연 측정법: 1, 2, 3
* 지중 케이블의 고장점 측정법
1) Murray Loop법: 1선 지락사고 및 선간 단락사고 시 측정
2) 정전 브리지법(Capacity bridge): 단선 사고 시 측정
3) 펄스 측정법(Pulse radar): 3선 단락 및 지락 사고 시 측정
그 외에 수색 코일법, 음향에 의한 방법 등이 있다.
5. 전기설비기술기준에서 전기사용 장소의 사용전압이 저압인 전로의 전선 상호간 및 전로와 대지 사이의 절연저항은 개폐기 또는 과전류차단기로 구분할 수 있는 전로마다 다음 표에서 정한 값 이상이어야 한다. 다음 빈칸에 들어갈 내용을 쓰시오.
| 전로의 사용전압 [V] | DC 시험전압 [V] | 절연저항 [M옴] |
| SELV 및 PELV | A | B |
| FELV, 500[V] 이하 | C | D |
| 500[V] 초과 | E | F |
A: 250, B: 0.5, C: 500, D: 1.0, E: 1000, F: 1.0
*저압전로의 절연성능

6. 한국전기설비규정에서 정하는 기구 등의 전로의 절연내력 시험전압 [V]에 대한 내용이다. 다음 빈칸에 들어갈 내용을 답란에 쓰시오.
| 공칭전압 | 최대사용전압 | 시험전압 |
| 6600[V] 13200[V] (중성점 다중 접지식 전로) 22900[V] (중성점 다중 접지식 전로) |
6900[V] 13800[V] 24000[V] |
A B C |
A: 6900 x 1.5 = 10350 [V]
B: 13800 x 0.92 = 12696 [V]
C: 24000 x 0.92 = 22080 [V]
* 절연내력 시험전압은 자주 출제되므로 꼭 암기하셔야 합니다. 외우는데 도움이 되도록 여러 가지의 표를 첨부했습니다. 본인에게 맞는 것으로 암기하시면 좋을 것 같습니다.
1) 전로의 절연내력 (출처: 전로의 절연저항 측정 및 절연내력시험 (02) : 네이버 블로그)


2) 전로의 절연내력 (출처: 전로의 절연저항 및 절연내력 쉽게 암기하기 : 네이버 블로그)

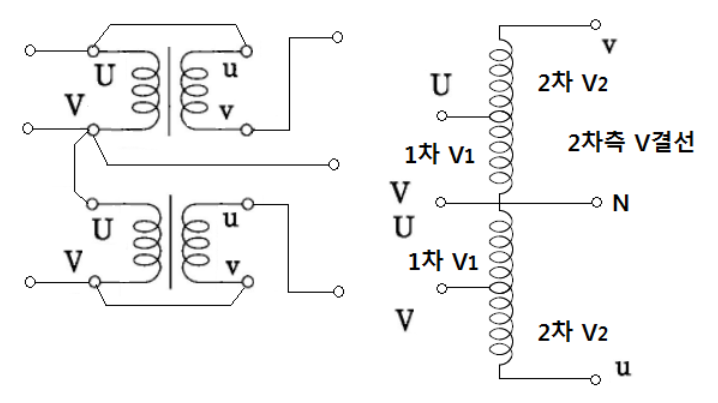
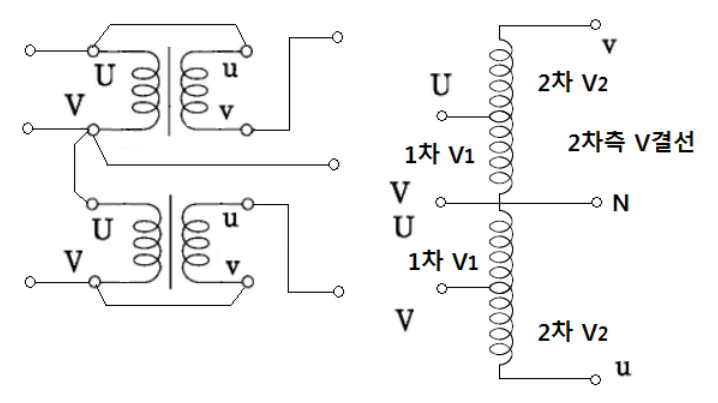
7. 3상 V결선 승압기의 결선도를 완성하시오.

답:

* 단권변압기 2대를 V결선하여 2차측에 3상 공급하는 경우의 결선 방법은 다음과 같다.
1차측 권선은 분로권선으로, 1차측과 2차측이 병렬로 연결되고 1차와 2차가 공통으로 사용하는 권선이다. 따라서 단권변압기는 2차측의 한 단자를 1차측 분로권선에 연결하여 1차측 권선 + 2차측 권선의 합으로 전압을 승압하게 된다. 그러므로 문제의 그림에서 위쪽 변압기는 1차측 1단자 즉, 1차측 U단자를 2차측 v단자에 연결하고, 그림의 아래쪽 변압기는 1차측 V단자를 2차측 u단자에 연결한다. 그리고 1차측 변압기의 연결단자에서 2차측 중성선 단자를 인출하게 되면 3상 V결선 승압기를 결선할 수 있다.

※ 아래의 그림에서 분로권선은 단권변압기의 공통 부분 권선으로, 전류 I가 흐르는 권선이 분로권선이다.

8. 한국전기설비규정에 따른 보호등전위본딩 도체에 대한 내용이다. 다음 ( ) 에 들어갈 내용을 쓰시오.
보호등전위본딩 도체
1. 주접지단자에 접속하기 위한 등전위본딩 도체는 설비 내에 있는 가장 큰 보호접지도체 단면적의 1/2 이상의 단면적을 가져야 하고 다음의 단면적 이상이어야 한다.
가. 구리도체 ( A ) [mm^2]
나. 알루미늄 도체 ( B ) [mm^2]
다. 강철 도체 ( C ) [mm^2]
2. 주접지단자에 접속하기 위한 보호본딩도체의 단면적은 구리도체 ( D ) [mm^2] 또는 다른 재질의 동등한 단면적을 초과할 필요는 없다.
A: 6, B: 16, C: 50, D: 25
9. ALTS의 명칭과 용도를 쓰시오.
명칭: 자동 부하 전환 개폐기
용도: 이중전원을 확보하여 주전원의 정전 또는 기준치 이하로 전압이 떨어질 경우 예비전원으로 자동 전환시킴으로써 수용가에 안정된 전원을 공급하도록 하는 개폐기이다.
* ALTS(Auto Load Transfer Switch): 자동부하전환개폐기
10. 피뢰시스템 - 제3부 : 구조물의 물리적 손상 및 인명위험에 따른 피뢰시스템의 등급에 대한 내용이다. 다음 데이터 중 피뢰시스템의 등급과 관계가 있는 데이터와 없는 데이터를 구분하여 기호로 모두 쓰시오.
[데이터]
a: 회전구체의 반지름, 메시의 크기 및 보호각
b. 인하도선 사이 및 환상도체 사이의 전형적인 최적거리
c. 수뢰부시스템으로 사용되는 금속판과 금속관의 최소두께
d. 피뢰시스템의 재료 및 사용조건
e. 접지극의 최소길이
f. 접속도체의 최소치수
g. 위험한 불꽃방전에 대비한 이격거리
1) 피뢰시스템의 등급과 관계가 있는 데이터: a, b, e, g
2) 피뢰시스템의 등급과 관계가 없는 데이터: c, d, f
11. 한국전기설비규정에 따라 계통의 공칭전압이 154[kV]인 중성점 직접접지식 전로의 절연내력시험을 하고자 한다. 시험전압[V]과 시험방법에 대한 다음 각 물음에 답하시오.
1) 절연내력 시험전압[V]을 구하시오. ( 단, 최대사용전압은 정격전압으로 한다.)
절연내력 시험전압 V = 154000 x 0.72 = 110880 [V]
2) 절연내력 시험방법을 설명하시오.
절연내력 시험할 부분에 최대사용전압에 의해 결정되는 시험전압을 계속하여 10분간 가하여 견디어야 한다.
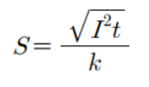
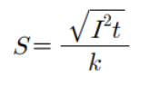
12. 3상 단락전류가 8[kA]인 계통에서 차단기 동작시간이 0.2초, 변류기의 변류비를 50/5로 사용하는 경우 열적과전류강도를 선정하시오. (단, 열적과전류강도는 40배, 75배, 150배, 300배에서 선정한다.)
아래의 열적과전류 강도 공식에서

Sn = S x 루트 t 식을 유도할 수 있고, 여기서 t = 0.2초, S = Is / In = 8000 / 50 = 160 이다.
따라서 Sn = 160 x 루트 0.2 = 71. 55
답: 75배 선정
*열적 과전류 강도란 CT에 손상을 주지 않고 1초간 1차측에 흘릴 수 있는 최대전류를 말한다.
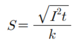
13. 어느 전력계통에서 보호장치를 통해 흐를 수 있는 예상 고장전류가 25[kA], 자동차단을 위한 보호장치의 동작시간이 0.5초이며, 보호도체, 절연, 기타 부위의 재질 및 초기온도와 최종온도에 따라 정해지는 계수가 159일 때 이 계통의 보호도체 단면적 [mm^2]을 선정하시오.

위 식에 I = 25000, t = 0.5, k = 159 대입해주면 S = 111.18 [mm^2]
답: 120 [mm^2] 선정
*보호도체 최소 단면적 및 계산식에 의한 보호도체 단면적 선정 방법
(2) 계산식에 의한 보호도체 단면적 선정방법은 차단시간이 5초 이하인 경우에만 다음 계산식을 적용한다.

* 전선의 공칭 단면적 (외우는 것이 좋습니다.)

14. 전기안전관리자의 직무에 관한 고시에 따른 계측장비의 권장 교정주기(년)에 대한 표이다. 다음 표의 빈칸을 채워 완성하시오.
| 구 분 | 권장 교정주기(년) | |
| 계측장비교정 | 계전기 시험기 | |
| 적외선 열화상 카메라 | ||
| 회로시험기 | ||
| 절연저항 측정기(500V, 100M옴) | ||
| 클램프미터 | ||
답:
| 구 분 | 권장 교정주기(년) | |
| 계측장비교정 | 계전기 시험기 | 1 |
| 적외선 열화상 카메라 | 1 | |
| 회로시험기 | 1 | |
| 절연저항 측정기(500V, 100M옴) | 1 | |
| 클램프미터 | 1 | |
* 계측장비 등 권장 교정 및 시험주기

15. 설계감리업무 수행지침에 따라 설계감리원은 설계용역 착수 및 수행단계에서 필요한 경우 문서를 비치하고, 그 세부양식은 발주자의 승인을 받아 설계감리과정을 기록하여야 하며, 설계감리 완료와 동시에 발주자에게 제출하여야 한다. 다음 [보기]에서 설계감리원이 필요한 경우 비치하는 문서가 아닌 항목을 답란에 쓰시오.
<보기>
- 근무상황부
- 공사예정공정표
- 해당 용역관련 수,발신 공문서 및 서류
- 설계자와 협의사항 기록부
- 공사 기성신청서
- 설계감리 검토의견 및 조치 결과서
- 설계감리 주요검토결과
- 설계도서 검토의견서
- 설계도서(내역서, 수량산출 및 도면 등)를 검토한 근거서류
- 설계수행계획서
답: 공사예정공정표, 공사 기성신청서, 설계수행계획서
16. 케이블공사 시설 장소에 대한 표이다. 다음 빈칸에 시설가능 여부를 O, X를 사용하여 완성하시오.
[케이블공사 시설장소]
| 옥내 | 옥측/옥외 | ||||||
| 노출 장소 | 은폐 장소 | ||||||
| 점검 가능 | 점검 불가능 | ||||||
| 건조한 장소 | 습기가 많은 장소 또는 물기가 있는 장소 | 건조한 장소 | 습기가 많은 장소 또는 물기가 있는 장소 | 건조한 장소 | 습기가 많은 장소 또는 물기가 있는 장소 | 우선 내 | 우선 외 |
| O | O | O | |||||
O: 시설할 수 있다. X: 시설할 수 없다.
답:
| 옥내 | 옥측/옥외 | ||||||
| 노출 장소 | 은폐 장소 | ||||||
| 점검 가능 | 점검 불가능 | ||||||
| 건조한 장소 | 습기가 많은 장소 또는 물기가 있는 장소 | 건조한 장소 | 습기가 많은 장소 또는 물기가 있는 장소 | 건조한 장소 | 습기가 많은 장소 또는 물기가 있는 장소 | 우선 내 | 우선 외 |
| O | O | O | O | O | O | O | O |
다음 글
전기기사 실기 22년도 단답 문제 및 개념 정리
전기기사 실기 공부를 위해 교재 속 '전기기사 실기 22년도 단답 문제' 모음 및 개념 정리 글입니다. 전기기사 실기 시험에 조금이라도 도움이 되길 바랍니다.1. 최대수용전력이 5000[kW]이고, 부하
favdays.com
전기기사 실기 20년도 단답 문제 및 개념 정리
전기기사 실기 공부를 위해 교재 속 '전기기사 실기 20년도 단답 문제' 모음 및 개념 정리 글입니다. 전기기사 실기 시험에 조금이라도 도움이 되길 바랍니다.1. 소선의 직경이 3.2 [mm]인 37가닥의
favdays.com
'전기기사 > 단답' 카테고리의 다른 글
| 전기기사 실기 단답 2010~2024년 pdf 자료 공유 (3) | 2025.08.09 |
|---|---|
| 전기기사 실기 22년도 단답 문제 및 개념 정리 (2) | 2025.07.02 |
| 전기기사 실기 20년도 단답 문제 및 개념 정리 (1) | 2025.07.01 |
| 전기기사 실기 19년도 단답 문제 및 개념 정리 (0) | 2025.06.29 |
| 전기기사 실기 18년도 단답 문제 및 개념 정리 (0) | 2025.06.29 |