
전기기사 시험에서 자주 등장하는 계기용 변압기(Instrument Transformer) 중에서도 권선형과 콘덴서형은 전압을 측정하거나 보호계전기에 입력하는 데 사용되는 전압 변압기(Voltage Transformer, VT 또는 PT)의 일종입니다. 권선형과 콘덴서형에 대해 먼저 알아본 후, CT와 PT에 대해서도 자세히 설명해보겠습니다.
우선 변압기와 계기용 변압기의 차이점에 대해서 알아보겠습니다.
일반적으로 변압기는 전력용 변압기를 의미합니다.
전력용 변압기는 전압을 변성하여 전력 부하(전등, 전열, 전동기 등)과 연결하는 것을 말하고,
계기용 변압기는 전압을 변성하여 계기(전압계, 부족전압계전기, 과전압계전기 등)과 연결하는 것을 말합니다.
여기서 변성은 전압을 올리거나 내리는 것 또는 전기의 성질을 변경시키는 것을 말합니다.
🔍 예
▶ 일반 변압기:
- 예시: 발전소 → 22.9kV로 송전 → 변전소에서 220V로 강압해서 공장에 전력 공급
- 기능: 전력을 실제로 옮기는 것
▶ 계기용 변압기:
- 예시: 송전선로가 154kV일 때, 전압계를 110V 범위 내에서 측정 가능하게 만들어 줌
- 기능: 고전압을 측정 가능한 전압으로 변환만 해주는 장치 (전력 전달 X)
✅ 한 줄 요약!
- 변압기는 전력을 전달하는 데 쓰이고,
- 계기용 변압기(PT)는 전압을 정확히 측정하거나 보호계전기에 전달하기 위해 고전압을 저전압으로 안전하게 변환하는 장치입니다.
그럼 이제 VT 중에서도 IVT와 CVT에 대해서 알아볼까요?
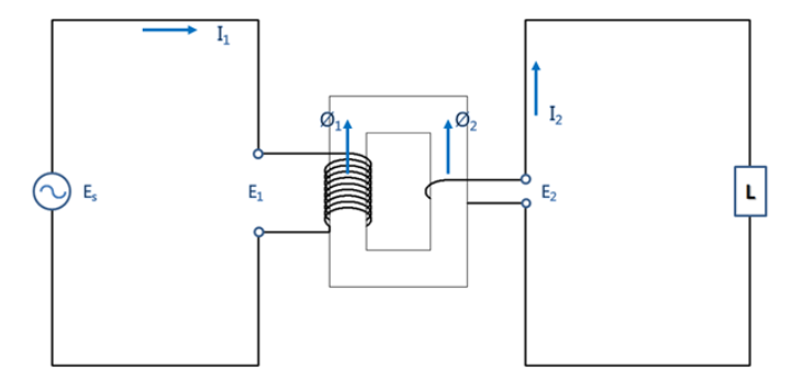
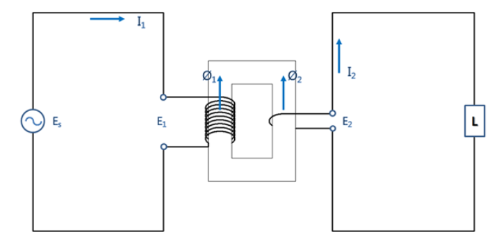
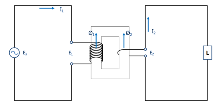
✅ 1. 권선형 변압기 (Inductive Voltage Transformer, IVT)

🌟 정의
- 1차 권선과 2차 권선이 자속 결합을 통해 전압을 변압하는 일반적인 형태의 변압기입니다.
- 변압비는 권선 수 비율에 따라 결정됩니다.
🔧 구조
- 일반적인 전력용 변압기와 구조가 비슷함 (철심, 1차 및 2차 권선 등으로 구성)
- 절연유, 절연물, 코일 등이 있음
📏 사용 전압 범위
- 보통 1~22.9kV 이하에서 사용
🔵 장점
- 구조가 단순하여 신뢰성이 높음
- 출력이 크고 정밀도가 높음 (계측 정확도 우수)
- 과전압에 강함
🔴 단점
- 고전압(예: 66kV 이상)에서 절연 설계가 복잡하고 비용이 증가함
✅ 2. 콘덴서형 변압기 (Capacitor Voltage Transformer, CVT)

🌟 정의
- 고전압 계통에서 사용되는 전압 변압기로, 1차 측에 고전압이 걸릴 때 콘덴서 분압 방식으로 전압을 낮춘 뒤 변압기로 전달하여 측정하는 방식입니다.
🔧 구조
- 1차 측에 직렬 콘덴서(C1, C2) → 중간 지점에서 분압
- 분압된 전압을 권선형 변압기(소형)에 전달하여 2차 전압을 출력
- 보통 보호 계전기 또는 계측기에 연결됨
- 중간에 보상 리액터나 댐퍼 회로 등이 포함됨
📏 사용 전압 범위
- 주로 고전압(66kV 이상, 특히 154kV, 345kV, 765kV급)에서 사용
🔵 장점
- 고전압에서도 절연이 용이하고 경제적
- 구조가 커도 상대적으로 경량화 가능
- 장거리 계측 신호 전송 시 손실이 적음
🔴 단점
- 콘덴서의 특성에 따라 정확도(계측 오차)가 떨어질 수 있음
- 주파수 변화나 온도에 민감함 → 정밀 계측에는 부적합
🔁 권선형 vs 콘덴서형 비교표

다음으로는 CT, VT, PT 에 대해서 알아보겠습니다. 이 개념들은 전기기사 시험에서 매우 중요한 파트입니다.
CT, VT, PT는 모두 계기용 변압기(Instrument Transformers)의 일종인데, 측정 및 보호 계전 시스템에서 핵심적인 역할을 합니다. 아래에 각각을 정리 + 비교해보겠습니다.
✅ 1. CT (Current Transformer, 전류계기용 변류기)

🔧 정의
- 고전류를 측정하기 어렵기 때문에, 이를 소전류(예: 5A, 1A 등)로 변환하여 계측기나 보호계전기에 전달하는 장치.
⚙️ 사용 목적
- 전류 측정, 과전류 보호 계전기 입력용
📌 주요 특징
- 1차 측은 도체(바, 선 등)가 한 바퀴 통과
- 2차 측은 코일 감겨 있음 → 계측기 연결
- 출력: 보통 5A 또는 1A
📎 주의사항
- 2차측 개방 금지 (고전압 발생 가능 → 위험 및 절연 파괴)
✅ 2. VT (Voltage Transformer), = PT (Potential Transformer)

둘은 동일한 것입니다. 이름만 다르게 쓰일 뿐, 기능은 같습니다.
🔧 정의
- 고전압을 측정 가능한 저전압(예: 110V)으로 변환해주는 계기용 변압기
⚙️ 사용 목적
- 전압 측정, 과전압/저전압 보호 계전기 입력용
📌 주요 특징
- 변압비 정확도 매우 중요
- 종류: 권선형 VT, 콘덴서형 VT(CVT)
- 출력: 보통 110V, 일부는 100V도 있음
✅ CT vs VT(PT) 비교표

✅ 시험에 잘 나오는 포인트 요약
- CT는 전류 측정, VT/PT는 전압 측정
- CT는 2차측 개방하면 안 되고, VT는 2차측 단락하면 안 됨
- CT의 정격 전류비: 예) 200/5 → 1차 200A → 2차 5A
- PT의 정격 전압비: 예) 6600/110 → 1차 6.6kV → 2차 110V
- CVT는 VT의 일종으로 고전압 계통에서 경제적으로 사용
💡 외우기 팁 (한 줄 암기)
CT는 전류, PT(VT)는 전압!
CT는 "개방 금지", VT는 "단락 금지"!
CT와 VT(또는 PT)는 고전압 및 고전류를 안전하게 측정하기 위한 필수 장비로, 전력 시스템에서 중요한 역할을 합니다. 각각의 특성과 주의사항을 정확히 이해하는 것이 전기기사 시험뿐 아니라 실무에서도 매우 중요합니다. 기본 개념을 확실히 잡고, 변성비 계산이나 결선 방식까지 연습하면 합격에 한 걸음 더 다가갈 수 있어요! 😄
'전기기사' 카테고리의 다른 글
| 전기기사 논리식, 논리등가회로, 드모르간의 법칙, 불 대수 (0) | 2025.04.21 |
|---|---|
| 베르누이 정리란? 수력 발전 공식, 수차, 발전기 출력 (0) | 2025.04.19 |
| 파두장, 파미장이란? 파고값, 뇌서지, 개폐서지 (0) | 2025.04.17 |
| 가공지선과 매설지선 그 차이점은? 의미, 목적, 비교 (0) | 2025.04.16 |
| 와류손이란? 개념, 원인, 특징, 관련 문제 (0) | 2025.04.15 |